Модуль синхронизации времени I-87211W
синхронизация времени от GPS через RS232
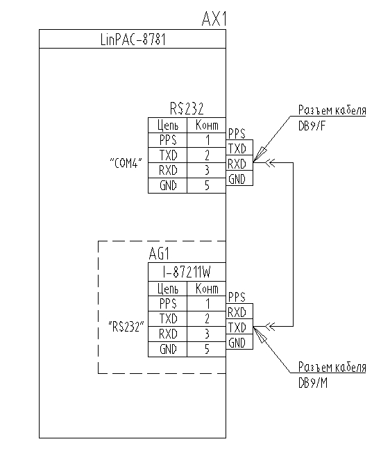
Модуль I-87211W предназначен для синхронизации времени с большой точностью. Модуль устанавливается в слот контроллеров серии LP-8x81, LP-8x81, iPAC-8x41. Синхронизация происходит через внешний RS232 порт модуля путем подключения его к правому верхнему порту контроллера кабелем CA-0915. Допускается размещения модуля I-87211W в слотах корзины расширения RU-87Px
С модулем I-87211W поставляется антенна ANT-115-03 с кабелем 5 м. Опционально, возможен заказ дополнительного кабеля длиной от 5 до 30 м.
Основные технические параметры:
- Точность синхронизации менее 1 мс
- Поддержка до 32 спутников GPS
- 2 дискретных выхода, 1 выход PPS, порт RS232
- RS232 поддерживает протокол NMEA v0183 v3.01 или DCON
- LED индикация количества спутников и PPS

Контроллеры LP-8x81, LP-8x21 поставляются с установленным NTPD пакетом, который позволяет производит синхронизации времени с точностью до 1 мс.
| Дискретный выход | |
| Кол-во каналов | 2 |
| Тип | NPN |
| Максимальная нагрузка | 100 мА |
| Напряжение нагрузки | +5 - 30 VDC |
| GPS приемник | |
| Частота | L1 1575.42 МГц, C/A код |
| Кол-во каналов | 32 |
| Точность позиционирования | Совместим с SBAS (WAAS, EGNOS, MSAS) |
| Максимальная высота | 18000 м |
| Максимальная скорость | 515 м\с |
| Скорость синхронизации | Холодный старт ~42с |
| Чувствительность | Слежение до -158 дБм |
| Холодный старт до -142 дБм | |
| LED индикатор | |
| Питание/связь | 1 LED |
| Дискретный выход | 3 LED |
| GPS | 8 LED |
| Питание | |
| Потребление | 0,75 Вт |
| Интерфейс | |
| Интерфейс | RS232 |
| Протокол | NMEA 0183 версии 3.01 и DCON |
| Скорость | 9600 бит/с |
| 1 PPS | 100 мс/с |
| Условия эксплуатации | |
| Температура работы | -25 - 75 C |
| Температура хранение | -40 - 85 C |
| Условия влажности | 10 - 90% (без конденсата) |
| Механические размеры | |
| Размеры (Ш х Д х В), мм | 30 x 91 x 114 |
Документация производителя
I-87211W User manual (Руководство пользователя)
